電力電纜故障探測基礎理論(3)
電纜故障測試理論
脈沖反射法(雷達反射)基礎理論介紹 :
目前,現場上主要是通過測量低壓輸入脈沖或故障點放電脈沖在故障點與測量端之間的傳輸時間
測量電纜故障距離,下面主要介紹電壓、電流波在電纜線路里的傳播過程,以便使讀者更好地了解基于電壓、電流波傳播原理的電纜故障測距技術。
一、長線的基本概念以及等效電路
電力電纜是傳輸線的一種。傳輸線本身的長度與它所傳播的信號波長相比擬時,稱為長線。對電纜中的
脈沖電壓、電流波而言,其脈沖寬度不足一個微秒。而波在一微秒時間內的傳播距離僅二百米左右,所以有必要把電纜線路看成長線,來研究電壓、電流波的傳播過程。
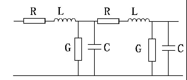
電纜線路(以下簡稱電纜)可看成由許許多多電阻R、電導G、電容C與電感L元件(等效元件)相聯接組成的,這些元件稱為電纜的分布參數。一小段電纜的等效電路如圖1所示。
圖1 一小段電纜的等效電路
當信號電流流過每一段電路上的串聯電阻R與電感L時,就會產生電壓降,信號電流在每一段線路上還會通過電容C與電導G從中途返回。如果忽略線路的傳播損耗,即令R=G=0,則線路稱為無損耗線路,其單位長度上電容、電感值分別用C0與L0表示。除特殊說明外,本文討論的線路均指的是這種無損耗線路。
分布參數線路上任一點電壓、電流值實際上是許多個向兩個不同的方向傳播的電壓、電流波數值的代數和。這些電壓、電流波以一定的速度運動,因此稱為行波。我們把運動方向與規定方向一致的行波,叫正向行波,而把運動方向與規定方向相反的行波叫反向行波。
假定有一電纜線路MN如圖2所示,規定距離坐標X的方向從M端到N端,則線路上向著N端運動的波叫正向行波,而向著M端運動的波叫反向行波。
圖2 正向與反向行波
我們把電纜看作長線來分析,在長線上,沿長線各點的電壓、電流一般情況下都是隨時間變化的,是不相等的。而在短線上,各點的電壓、電流大小可以近似的認為是相同的。
脈沖電磁波總有一定的寬度,若在一定的時間內,發射脈沖和反射脈沖相互重疊,就無法區分開來,因此就無法形成長線傳輸,就不能測試距離,所以,根據脈沖反射原理研制的電纜故障閃絡測試儀(簡稱閃測儀),就有一定的測試盲區。
二、 電纜中的波速度與波阻抗
1. 波速度
行波從電纜一端傳到另一端需要一定的時間,電纜長度與傳播時間之比,稱為波速度V。
經分析可知,電纜中行波的波速度可表示為:
其中:S=3×108米/秒,是光的傳播速度;
μ為電纜芯線周圍介質的相對導磁系數;
ε為電纜芯線周圍介質的相對介電系數。
可見,電纜中波速度只與電纜的絕緣介質性質有關,而與導體芯線的材料與截面積無關。對于由不同導體材料制成的電纜,只要絕緣介質相同的,其波速度是不變的,這一點必須注意,因為不少人想當然地認為電纜的波速度受芯線的材料與截面積影響。
經過大量測量試驗,得出得四種常用的高壓電纜的電磁波傳輸速度為:
油浸紙電纜: V=160m/微秒;
交聯聚乙烯電纜:V=172m/微秒;
聚氯乙稀電纜: V=184m/微秒;
不滴流油電纜: V=144m/微秒。
真空中,電波的傳輸速度為V=300m/微秒,為最高傳輸速度。
但必須注意,電纜的傳輸速度是隨電纜運行時間的變化有一定的變化,特別是新型號的交聯電纜,因為絕緣材料配方的差異,傳輸速度就會有所不同。對于低壓電力電纜,絕緣材料差異更大,所以速度就差別更大。一般橡膠絕緣的低壓電纜,傳輸速度為200 m/微秒左右;三芯交聯低壓電纜,傳輸速度140-150 m/微秒左右;單芯交聯低壓電纜,傳輸速度最小的可達100 m/微秒左右;兩根以上的地埋電線,傳輸速度一般為110 m/微秒左右(與當地土壤有關)。總之,當有條件知道電纜長度時,故障測試前最好先驗證測試一下該電纜的傳輸速度,以便測試的數據更準確。
2. 波阻抗
電纜中的電壓波在向前運動時,對分布電容不斷充電產生伴隨的向前運動的電流波,一對電壓、電流波之間的關系,用波阻抗(也稱特性阻抗)Z0來描述。
經分析可知,電纜的波阻抗可表示為:
L0、C0除與電纜所用介質材料、介電系數與導磁系數有關外,還與電纜芯線的截面積和芯線與外皮之間的距離有關。所以,不同規格和種類的電纜,其波阻抗也不同。電纜芯線截面積越大,波阻抗值越小。一般電力電纜的波阻抗值在10-40歐左右。
判斷
電纜故障為高阻故障還是低阻故障,是以特性阻抗R0為分界線,故障電阻大于特性阻抗就為高阻故障,小于特性阻抗就為低阻故障。當然,好電纜上各點的等效阻抗都與特性阻抗相等。
三、反射系數
電波在電纜中傳輸時,遇到阻抗不匹配的地方,就會發生反射,反射波形的幅度大小與正負,與反射系數P有關。所謂反射系數P,是指傳輸線中某一點的反射波電壓V反(或反射波電流I反)與入射波電壓V入(或入射波電流I入)之比,用公式表示為:
經過推導后,得出反射系數的計算公式為

式中,RL為傳輸線故障點的阻抗;
R0為傳輸線的特性阻抗。
下面我們分三種情況進行分析:
1、電纜終端開路情況
電纜終端開路,即負載電阻為無窮大,RL=∞ ,代入公式計算,R0可以忽略不計,便有RL=+1。
在這種情況下,脈沖發射波形就和脈沖反射波形同向,都為正向波形(我們的閃測儀發射脈沖定義為正向波形,波形參考說明書圖8.1)。
終端短路,即負載電阻為零,RL=0 ,代入公式計算,便有RL=-1。
在這種情況下,脈沖發射波形就和脈沖反射波形反向,一次反射波形為負向波形,二次反射波形又為正向波形,依此類推(波形參考說明書圖8.2)。
3、電纜有故障的情況
這種情況分為兩種情況:
(1)、當RL> R0時,則反射系數0<P<1,所以,反射波與入射波同極性,并且反射波比入射波的幅度要小(波形參考說明書圖8.1)。
(2)、當RL< R0時,則反射系數-1<P<0,所以,反射波與入射波極性相反,并且反射波比入射波的幅度要小(波形參考說明書圖8.2)。